Kabel Problem

ReadyEddy

Mitglied
Themen-Ersteller
Mrz 3, 2022
24
0
Vielen dank für die Hilfe aber, ich bin jetut komplett fertige mit dem bau aber er geht nicht an ich hab Natürlich das Netzteil angemavhg und an den Strom angeschlossen aber es passiert nicht🙁 Und was kommt bei dem grün Umkreisten rein?
 

der allgäuer

Ehrenmitglied
Supporter
Okt 15, 2019
4.060
1.686
da kommt z.b. das kabel zum powerknopf hin, mit dem du den pc einschaltest.
wenn das nicht angeschlossen, bleibt die kiste aus.
es wird auch noch der resetknopf, die anschlüsse für die fronteingänge angeschlossen, sowie kopfhöhrer und mikrofon usw.
 

Nobbi56

Ehrenmitglied
Feb 8, 2022
8.643
3.300
Ja, wenn beim einschalten gar nichts passiert, prüfe als erstes, ob du die Gehäusestecker für an/aus, reset und LED korrekt am Frontpanel (grün markiert) angeschlossen hast, s. mein Beitrag #20 und Bild 3. Beim Gehäuse sollte ein Handbuch sein oder hier herunterladen, leider ist das nicht sehr ausführlich,, du müsstest mal schauen, welche Kabel von der I/O-Blende an der Gehäusefront abgehen und wie die beschriftet sind. Das sind so kleine Stecker wie z. B. auf dem Bild unten.. Gib dann mal an, wie die Stecker heißen.

Wichtig ist auch, dass du beim Einbau des Mainboards in das Gehäuse darauf geachtet hast, dass die Abstandhalter auf dem Mainboardträger nur dort sitzen,. wo das Mainboard auch Löcher hat. Andernfalls kann es beim einschalten einen Kurzschluss geben.

24poliger und 8poliger Stromstecker des NT sind fest eingerastet?

LG N.
 

Anhänge

  • fp.jpg
    fp.jpg
    509,4 KB · Aufrufe: 7

ReadyEddy

Mitglied
Themen-Ersteller
Mrz 3, 2022
24
0
da kommt z.b. das kabel zum powerknopf hin, mit dem du den pc einschaltest.
wenn das nicht angeschlossen, bleibt die kiste aus.
es wird auch noch der resetknopf, die anschlüsse für die fronteingänge angeschlossen, sowie kopfhöhrer und mikrofon
Doppelpost zusammengeführt:

Stimmt macht Sinn aber ich find keine Kabel die damit verbunden sind.
 

ReadyEddy

Mitglied
Themen-Ersteller
Mrz 3, 2022
24
0
Ja, wenn beim einschalten gar nichts passiert, prüfe als erstes, ob du die Gehäusestecker für an/aus, reset und LED korrekt am Frontpanel (grün markiert) angeschlossen hast, s. mein Beitrag #20 und Bild 3. Beim Gehäuse sollte ein Handbuch sein oder hier herunterladen, leider ist das nicht sehr ausführlich,, du müsstest mal schauen, welche Kabel von der I/O-Blende an der Gehäusefront abgehen und wie die beschriftet sind. Das sind so kleine Stecker wie z. B. auf dem Bild unten.. Gib dann mal an, wie die Stecker heißen.

Wichtig ist auch, dass du beim Einbau des Mainboards in das Gehäuse darauf geachtet hast, dass die Abstandhalter auf dem Mainboardträger nur dort sitzen,. wo das Mainboard auch Löcher hat. Andernfalls kann es beim einschalten einen Kurzschluss geben.

24poliger und 8poliger Stromstecker des NT sind fest eingerastet?

LG N.
Genau mit denen hatte ich Probleme. Und genau bei denen bin ich mir nicht sicher ob ich die richtige hab. Ich hab auch nur Reset SW
Doppelpost zusammengeführt:

das sind die, die der user oben auf dem bild in der hand hat..
Und wo müssne die alles rein? Einfacg irgendwo bei dem grün markierten?
 

Willi2505

Ehrenmitglied
Jan 26, 2020
12.025
5.543
Auf Seite 23 überprüfen, ob deine Kabel so angeordnet sind und wenn nicht, dann so machen.
 

ReadyEddy

Mitglied
Themen-Ersteller
Mrz 3, 2022
24
0
Hab ich die Grafikkarte so richtig eingesteckt?
Doppelpost zusammengeführt:

Auf Seite 23 überprüfen, ob deine Kabel so angeordnet sind und wenn nicht, dann so machen.
Auf der Seite stehen aber andere Sachen und nicht die wo ich hab.
 

Anhänge

  • 16464928003061166678824413207004.jpg
    16464928003061166678824413207004.jpg
    1,4 MB · Aufrufe: 10
  • 16464931688496087884609474800060.jpg
    16464931688496087884609474800060.jpg
    1,3 MB · Aufrufe: 9
Zuletzt bearbeitet:

Willi2505

Ehrenmitglied
Jan 26, 2020
12.025
5.543
Links unten und oben die ersten 2 sind die, die auf dem Foto zu sehen sind...
 

der allgäuer

Ehrenmitglied
Supporter
Okt 15, 2019
4.060
1.686
auf seite 23 steht genau das was du wissen musst. einfach mal genau hinschauen und nicht alles vorkauen lassen.
 

TheHomefront

Lebende Legende
Nov 5, 2018
25.551
11.883
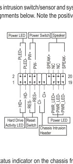
von links nach rechts wie das bild am anfang wie folgt:

powerswitch: auf pw+ und pw- (hier hat der stecker hinten einen kleinen pfeil das ist der plus pin)
hddled: auf hd+ und hd-
resetled sw: auf res- und res+
powerled-: auf pwr led-
powerled+: auf pwr led+

ist eigentlich alles beschriftet und gut strukturiert
 
Zuletzt bearbeitet:

ReadyEddy

Mitglied
Themen-Ersteller
Mrz 3, 2022
24
0
von links nach rechts wie das bild am anfang wie folgt:

powerswitch: auf pw+ und pw- (hier hat der stecker hinten einen kleinen pfeil das ist der plus pin)
hddled: auf hd+ und hd-
resetlet sw: auf res- und res+
powerled-: auf pwr led-
powerled+: auf pwr led+

ist eigentlich alles beschriftet und gut strukturiert
Okay danke. Müssen die umgedreht dann sein? Also das die Schrift nach unten Zeigt?
 

TheHomefront

Lebende Legende
Nov 5, 2018
25.551
11.883
wie gesagt, ein pfeil auf dem stecker markiert jeweils den plus pol, wie die stecker draufsitzen werden kann ic hdir nicht sagen ist je nach board etwas unterschiedlich